Novinky
21.02.2023
ROGER TECHNOLOGY
Roger Technology - špička na európskom trhu.
Inovácie, špičková mechanika a nikdy nekončiaci technologický výskum sú prvky, ktoré robia z Roger Techn...
čítať celé
- Úvod
- NÁHRADNÉ DIELY
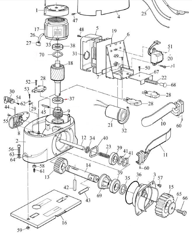
- PMCU7.4630 ložisko 6204 20x47x14 pre ROBO1000
PMCU7.4630 ložisko 6204 20x47x14 pre ROBO1000
- Kompletné špecifikácie
- Parametre
PMCU7.4630 ložisko 6204 20x47x14 pre ROBO1000na externom sklade8,61 €/ ks7,00 € bez DPH
Kompletné špecifikácie
ROBO 1000
PMCU7.4630 ložisko 6204 20x47x14 pre ROBO1000 č.37
Technické parametre
| Výrobca | Nice |
|---|---|
| Váha | 0.05 kg |

Potrebujete poradiť?
Ak potrebujete ďalšie informácie?, neváhajte nás kontaktovať:
- počas pracovných dní od 8:00 do 16:30 na čísle: 0902 331 936
- alebo emailom na adrese: pohonydando@gmail.com
Parametre
VýrobcaNICE
Tovar zaradený v kategóriách

